Test & Messungen

Test: LD Systems MAUI i1

LD-Systems bringt in der MAUI-Serie mit Säulenlautsprechern mit der i1 jetzt auch das erste Modell speziell für den Einsatz in Festinstallationen heraus. Die IP65-Schutzklasse, ein integrierter 100V-Übertrager und im Lieferumfang enthaltenes Montagematerial qualifizieren die i1 so für verschiedenste Anwendungen. Das für einen Säulenlautsprecher typische enge vertikale Abstrahlverhalten prädestiniert die i1 zudem für akustische schwierige Umgebungen.

LD-Systems MAUI i1(Bild: Tom Schäfer)

Inhalt dieses Testberichts:

Anzeige


Die MAUI-Serie von LD-Systems ist bereits seit einigen Jahren sehr erfolgreich in der mobilen Beschallungsszene vertreten. Die schlanke Bauweise und die Vorteile der vertikal gerichteten Abstrahlung sind nur einige der Vorzüge, die dazu beigetragen haben. Mit dem Modell i1 bietet man jetzt auch ein erstes Modell für Festinstallationen an, um hier speziell für akustisch schwierige (hallige) Räume eine elegante und wirksame Lösung zu haben. Wo liegt nun der Unterschied zwischen einem Lautsprecher für die Festinstallation und für den mobilen Einsatz?

Beide müssen auf ihre Art robust sein, was für die Installation vor allem eine solide und einfache Montagemöglichkeit und je nach Einsatz auch eine gewisse Beständigkeit gegen Staub und Feuchtigkeit bzw. Wasser bedeutet. Beides wurde bei der i1 umgesetzt. Der Lautsprecher ist IP65-klassifiziert und somit staubdicht und geschützt gegen Strahlwasser. Eine dauerhafter Außeneinsatz sollte somit möglich sein.

Für die Befestigung gibt es einen sehr soliden U-Bügel, mit dem sich die i1 sicher montieren lässt. Da in ausgedehnten Festinstallationen häufig 100V-Systeme eingesetzt werden, ist die i1 auch standardmäßig mit einem Übertrager für 100V- oder 70V-Systeme ausgerüstet. Über einen Schiebeschalter im Anschlussfeld kann so zwischen einem niederohmigen (Low-Z) Modus und der 70V- oder 100V-Anpassung gewählt werden. 70V-Systeme sind in Europa eher weniger üblich, werden aber in den USA häufig eingesetzt. Daneben gibt es auch noch die eher selten anzutreffenden 25V- und 200VSysteme, Letztere vor allem für hohe Leistungen bei großen Kabellängen. Bei der i1 lassen sich mit Übertrager mit einem zweiten Schalter die Leistungswerte 60, 30, 15 und 7,5 W auswählen.

Der Lautsprecher kann damit in 3-dBStufen um maximal 9 dB angepasst werden. Ebenfalls im Lieferumfang enthalten ist eine wasser- und staubdichte Abdeckkappe für das Anschlussfeld. Auf der Frontseite wird der Lautsprecher durch ein festes und feinmaschiges mit Schaumstoff hinterlegtes Gitter geschützt.

>> zurück zur Übersicht

Zeilenlautsprecher mit Hochtöner

Ein Blick hinter das Frontgitter wird mit BILD 02 von der LD-Systems-Homepage möglich. Dort erkennt man nicht nur die bei Zeilenlautsprechern üblichen Breitbänder, sondern auch noch zwei im oberen Drittel der Front angeordnete Hochtöner. Die beiden Hochtöner sind mit einem Waveguide ausgestattet, das den Abstrahlwinkel vertikal an die Linie mit Breitbändern anpasst und die Abstrahlung leicht nach unten neigt.

LD-Systems MAUI i1
BILD 02: Die Bestückung der i1 besteht aus neun 3″-Breitbandchassis und zwei 1″-Hochtönern, die im oberen Drittel der Zeile angeordnet sind. (Bild: Adam Hall)

Der grundsätzliche Vorteil eines Zeilenlautsprechers ist bekannt. In halligen Räumen kann durch das enge vertikale Abstrahlverhalten der Schall auf die Zuhörer konzentriert werden, ohne dabei den Nachhall des Raums unnötig stark anzuregen. Durch die breite horizontale Abstrahlung können zudem große Hörerflächen abgedeckt werden. Genau aus diesem Grund sind Lautsprecherzeilen auch schon seit Langem in Kirchen ein Standard für die Beschallung. Um zu vermeiden, dass die Zeilen durch Personen verdeckt werden, müssen diese immer etwas höher montiert werden, so dass ein zu scharfer Beam bei hohen Frequenzen über die Köpfe der Zuhörer hinweg gehen würde. Der Hochtöner hilft, genau das zu vermeiden und durch seine Ausrichtung auch noch die Abstrahlung leicht nach unten zu den Zuhörern hin zu neigen. Ein weiterer Pluspunkt des Zweiwegesystems ist die Reduzierung der sonst bei hohen Frequenzen durch den Aufbau mit Einzelquellen entstehenden Nebenmaxima im Abstrahlverhalten.

LD-Systems MAUI i1 Anschlussfeld
BILD 03: Anschlussfeld der i1 mit Umschaltung für den Low-Z- oder 100/70VModus mit Übertrager. Hier sind Leistungsabgriffe von 60, 30, 15 und 7,5 W vorhanden. Für das Anschlussfeld liegt eine staub- und wasserdichte Abdeckung bei. (Bild: Tom Schäfer)
LD-Systems MAUI i1 rückseitige Ansicht
BILD 04: Rückseitige Ansicht der LD-Systems MAUI i1. Der stabile Montagebügel lässt sich gut positionieren. Der Bügel hat oben und unten keine Löcher, sondern ca. 5 cm lange Schlitze, mit denen der Abstand des Lautsprechers zur Wand variabel angepasst werden und auch eine leichte Neigung erzielt werden kann, wenn nötig. (Bild: Dieter Stork)

>> zurück zur Übersicht

Impedanz und Übertrager

Bei den Messwerten beginnen wir mit der elektrischen Impedanz, die für den niederohmigen Modus 8 Ω als Nominalwert beträgt. Das Minimum der Impedanzkurve aus ABB. 01 liegt bei 6,6 Ω und damit nicht mehr als 20 % unter dem Nennwert.

Messung LD-Systems MAUI i1
ABB. 01: Impedanzkurve im Low-Z-Modus. Das Impedanzminimum des nominellen 8-Ω-Systems liegt bei normgerechten 6,6 Ω. Erlaubt wären 6,4 Ω. Die Resonanzfrequenz der Breitbänder im geschlossenen Gehäuse liegt bei 170 Hz. (Bild: Anselm Goertz)

Zusätzlich zum niederohmigen Betrieb wurden auch noch die Impedanzkurven im 100V-Modus für die vier Leistungsstufen gemessen. Die dazu in ABB. 02 abgebildeten Kurven sind zur besseren Vergleichbarkeit durch den Impedanztransformationsfaktor des Übertragers dividiert. Aus der 8-Ω-Nennimpedanz werden mit Übertrager in der 60-W-Einstellung 166,7 Ω, was einem Transformationsfaktor von 20,84 entspricht, durch den die Messwerte geteilt wurden.

LD-Systems MAUI i1 mpedanzkurven im 100V-Modus
ABB. 02: Impedanzkurven im 100V-Modus für die Einstellungen mit 60(bl), 30(rt), 15(gr) und 7,5 W(mg) im Vergleich zum Low-ZModus (graue Kurve). Für die Impedanzkurven mit Übertrager wurde der jeweilige Transformationsfaktor herausgerechnet (Details siehe Kasten). (Bild: Anselm Goertz)

Wäre der Übertrager ideal, dann würden sich die Kurven in ABB. 02 nicht vom Verlauf ohne Übertrager unterscheiden. Die Kurven liegen tendenziell etwas niedriger und fallen zu tiefen Frequenz hin ab. Das Verhalten ist prinzipbedingt bei Übertrager. Übertrager für Lautsprechersignale sollte daher auch möglichst nicht für tiefe Frequenzen eingesetzt werden. Viele Verstärker mit optionalem 100V-Modus schalten daher zusammen mit diesem auch automatisch ein Hochpassfilter (typisch bei 70 – 100 Hz) in den Signalweg.

>> zurück zur Übersicht

Frequenz- und Phasengang

Verlässt man die elektrische Seite des Lautsprecher und kommt zur akustischen, gilt der erste Blick meist dem Frequenzgang. ABB. 03 zeigt den Verlauf für die i1. Aus der Erfahrung sind die Erwartungen an Lautsprecherzeilen hier meist nicht so hoch. Die i1 zeigt jedoch, dass es auch anders geht. Der Verlauf ist nahezu perfekt und liegt auch ohne Glättung der Kurve ab 230 Hz bis 17,5 kHz in einem engen ±2-dB-Schlauch. Die untere Eckfrequenz (–6 dB) findet sich bei 154 Hz. Für die reine Sprachwiedergabe ist man damit bereits sehr gut aufgestellt. Geht es auch um Musik mit tieffrequenten Anteilen, dann wäre die Ergänzung mit einem Subwoofer sinnvoll. Die Sensitivity erreicht mit 91,7 dB ebenfalls einen guten Wert.

LD-Systems MAUI i1 Frequenzgang
ABB. 03: Der sehr schön gleichmäßige Frequenzgang der i1 mit einer mittleren Sensitivity bezogen auf 1W/1m von 91,7 dB. Die Eckfrequenzen (–6 dB) liegen bei 154 Hz und bei 20 kHz. Im 100V-Modus sind die Kurven für alle Leistungsstufen für 1W/1m exakt identisch. (Bild: Anselm Goertz)

Auch wenn die Kurve aus ABB. 03 mit „1W/1m“ betitelt ist, bedeutet das nicht, dass die Messung dafür in 1 m Abstand ausgeführt wurde, was für einen Lautsprecher dieser Ausdehnung viel zu nah wäre. Die Messung erfolgte in 8 m Entfernung mit einer beliebigen in der Software einzustellenden Leistung. Anschließend wird dann daraus der auf 1W/1m bezogene Wert berechnet. Noch korrekter wäre es, für den niederohmigen Modus 2,83V/1m zu sagen, da sich der Wert „1 W“ nur als Rechengröße aus der Spannung von 2,83 V und der Nennimpedanz von 8 Ω ergibt.

LD-Systems MAUI i1 Phasengang
ABB. 04: Phasengang der i1 (Bild: Anselm Goertz)

Da es sich beim Frequenzgang um eine komplexe Größe handelt, gibt es neben dem Amplitudenverlauf, der gemeinhin als Frequenzgang bezeichnet wird, auch noch den Phasengang. Dessen Verlauf findet sich in ABB. 4. Über den gesamten Frequenzbereich erkennt man eine Phasendrehung von 540°, die zum einen durch das akustische Hochpassverhalten der Tieftöner und durch den Übergang von den Mitteltieftönern zu den Hochtönern entstehen. Die Trennung erfolgt laut Datenblatt bei 2,5 kHz. Das aus der zugehörigen Impulsantwort über ein gleitendes Fenster ermittelte Spektrogramm aus ABB. 05 zeigt ein makelloses Ausschwingverhalten ohne erkennbaren Resonanzen.

LD-Systems MAUI i1 Spektrogramm
ABB. 05: Das Spektrogramm der i1 mit einem makellosen Ausschwingverhalten (Bild: Anselm Goertz)

>> zurück zur Übersicht

Abstrahlverhalten

Das Abstrahlverhalten einer Zeile entspricht in erster Näherung dem einer Linienquelle. Die Quelle ist in der Länge ausgedehnt und strahlt daher in der Vertikalen mit zunehmender Frequenz immer enger werdend ab. In der Breite ist die Ausdehnung der Quelle mit ca. 7 cm eher gering, und entsprechend breit ist die Abstrahlung in der horizontalen Ebene. Da es sich nicht um eine ideale Linienquelle, sondern um eine Aufreihung von Einzelquellen handelt, entstehen Artefakte in der Form von Nebenmaxima in der Vertikalen, die dort einzusetzen beginnen, wo die halbe Wellenlänge kleiner als der Abstand der Einzelquellen zueinander wird. Für 3″-Chassis in dichter Abfolge wäre das ab ca. 2 kHz aufwärts. Durch den Einsatz der Hochtöner, die ab ca. 2,5 kHz übernehmen, kann die Auswirkung der Nebenmaxima hier weitgehend vermieden werden.

LD-Systems MAUI i1 horizontales Abstrahlverhalten
ABB. 06: Horizontales Abstrahlverhalten mit einem mittleren Öffnungswinkel oberhalb von 2 kHz von 120 (Bild: Anselm Goertz)

Als weiteres Argument für die zusätzlichen Hochtöner kommt noch das ansonsten bei hohen Frequenzen sich zu stark einschnürende Abstrahlverhalten auf der Mittelachse hinzu. Für die Hochtöner lässt sich das elegant über ein Waveguide einstellen und auch noch vorteilhaft leicht nach unten neigen. Der Übergang ab 2,5 kHz auf die beiden Hochtöner stellt sich so als sinnvolle Ergänzung der einfachen Zeile nur mit Breitbändern dar. Zudem bieten Hochtöner gegenüber den Breitbandchassis auch klanglich noch einen kleinen Vorteil.

LD-Systems MAUI i1 vertikales Abstrahlverhalten
ABB. 07: Vertikales Abstrahlverhalten mit einem mittleren Öffnungswinkel oberhalb von 2 kHz von 30 mit einer leichten Neigung nach unten für hohe Frequenzen (Bild: Anselm Goertz)

In der Summe entsteht so ein System mit einem Abstrahlwinkel von ca. 120° in der Horizontalen (ABB. 06) ab 2 kHz aufwärts und von ca. 30° in der Vertikalen (ABB. 07), die hier jedoch schon ab 1 kHz aufwärts erreicht werden Die Sprungstelle beim Übergang auf den Hochtöner lässt sich bei diesem Konzept nicht ganz vermeiden, scheint aber in Anbetracht der Vorzüge des 2-Wege-Konzeptes gut akzeptabel zu sein.

>> zurück zur Übersicht

Maximalpegel

Für die Maximalpegelmessung wurde zunächst die bekannte Methode mit Sinusburst Signal genutzt. Damit wurde der erreichbare Maximalpegel für höchstens 3 % Verzerrungen und für höchstens 10 % Verzerrungen ermittelt. Ein weiteres Abbruchkriterium für diese Messung war eine maximale Leistung von 120 W bezogen auf 8 Ωentsprechend einer maximalen Messspannung von 31 Vrms für die Sinusburst-Signale mit einer Länge von 340 ms bis 1,5 kHz und von 85 ms ab 1,5 kHz aufwärts. Letzteres schützt vor allem die Hochtöner vor einer thermischen Überlastung. ABB. 08 zeigt die Ergebnisse mit der blauen Kurve für den erreichbaren Maximalpegel bei höchstens 3 % Verzerrungen und mit der roten Kurve bei höchstens 10 % Verzerrungen. Oberhalb 300 Hz fallen beide Kurven zusammen, was darauf hindeutet, dass hier nicht der Verzerrungsgrenzwert, sondern die maximale Leistung von 120 W den weiteren Pegelanstieg verhindert hat. Unterhalb von 300 Hz separieren sich die Kurven dann, da es hier bedingt durch die Membranauslenkung zu höheren Verzerrungen durch die Treiber kommt und die 10 % dann auch erreicht werden.

LD-Systems MAUI i1 Maximalpegelmessung mit Sinusburstsignalen
ABB. 08: Maximalpegelmessung mit Sinusburstsignalen für höchstens 3 %(bl) und höchstens 10 %(rt) Verzerrungen. Die Messung erfolgte im Low-Z-Modus mit maximal 120 W an 8 Ω. Die grüne Kurve zeigt den damit rechnerisch aus der 1W/1m Sensitivity für 120 W (+20,8 dB) abgeleiteten maximal möglichen Pegel. (Bild: Anselm Goertz)

Zusätzlich sind in ABB. 08 noch die 1W/1m-Sensitivity-Kurve und deren um 20,8 dB nach oben verschobene Verlauf eingezeichnet. Dieser Verlauf entspricht dem rechnerisch möglichen Maximalpegel bei 120 W (=20,8dBW), der hier ab 200 Hz aufwärts durchgängig auch erreicht wird. Eine Powercompression lässt sich bei dieser Leistung noch nicht erkennen. Eine zweite für die Praxis etwas aussagekräftigere Maximalpegelmessung ist die Multitonmessung. Die Basis des Multitonsignals besteht aus 60 Sinussignalen mit Zufallsphase, deren spektrale Gewichtung beliebig eingestellt werden kann.

Für die hier gezeigte Messungen der i1 aus ABB. 09 wurde eine Gewichtung entsprechend eines mittleren Musiksignals (grüne Kurve) gewählt. Der Crestfaktor des so synthetisierten Messsignals, der das Verhältnis vom Spitzenwert zum Effektivwert beschreibt, liegt bei einem praxisgerechten Wert von 4 entsprechend 12 dB. Für den aus dieser Art der Messung abgeleiteten Verzerrungswert werden alle Spektrallinien aufaddiert, die nicht im Anregungssignal vorhanden, d. h., die als harmonische Verzerrungen oder als Intermodulationsverzerrungen hinzugekommen sind.

LD-Systems MAUI i1 Multiton Messung der Gesamtverzerrungen
ABB. 09: Multiton Messung der Gesamtverzerrungen (TD=THD+IMD) mit einem EIA-426B Spektrum und 12 dB Crestfaktor. Auf 1 m bezogen wird ein Mittelungspegel Leq von 110 dB erreicht. Der Spitzenpegel Lpk beträgt 122 dB. Die Spannungswerte des Messsignal betrugen dabei 31 Vrms und 124 Vpk. (Bild: Anselm Goertz)

In der Grafik sind das die blauen Linien und deren Summenkurve in 1/6 Oktav breiten Frequenzbändern. Auch bei dieser Art der Messung wird der Pegel so lange erhöht, bis der Gesamtverzerrungsanteil (TD = Total Distortions) einen Grenzwert von 10 % erreicht. Bei den Gesamtverzerrungen werden alle harmonischen Verzerrungsanteile (THD) und auch die Intermodulationsverzerrungen (IMD) berücksichtigt. Unter diesen Bedingungen erreicht die i1 für ein typisches Musikspektrum nach EIA-426B bezogen auf 1 m Entfernung im Freifeld unter Vollraumbedingungen einen Spitzenpegel von 122 dB und einen Mittelungspegel von 110 dB. Beide Werte sind für den schlanken und unauffälligen Lautsprecher beeindruckend hoch. Die Werte wurden mit einer Messspannung am Lautsprecher im Low-Z-Modus von 31 Vrms und 124 Vpk erreicht. Wird eine weniger kräftige Endstufe eingesetzt, müssen entweder Abstriche im Maximalpegel hingenommen oder das Signal in den Spitzen komprimiert werden.

>> zurück zur Übersicht


100V oder Low-Z?

Die bei vielen Installationslautsprechern anzutreffende 100V-Technik ist ein schon lange etablierter und gut definierter Standard. Kern dieses Verfahrens sind Übertrager in den Endverstärkern und in allen Lautsprechern, die eine Leistungsanpassung vornehmen. Häufig wird über die 100V-Technik zu Unrecht die Nase gerümpft. Als Argumente werden die Nachteile der Übertrager im Signalweg mit erhöhten Verzerrungen, Sättigungseffekten und mangelndem Dämpfungsfaktor angeführt. Mehr oder weniger trifft das alles auch zu. Dass dem gegenüber auch attraktive Vorzüge stehen, wird manchmal vorschnell vergessen. An dieser Stelle soll daher ein kurzer Blick auf die 100V-Technik und die zugehörigen Berechnungsmethoden geworfen werden.

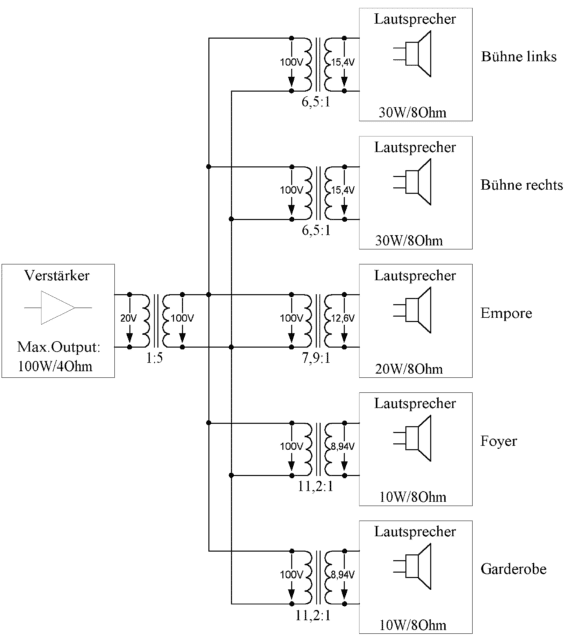
Die Zusammenhänge können an einem einfachen Beispiel erläutert werden. Für die Beschallung einer kleinen Bühne mit Empore und Garderobe steht eine Endstufe mit 100 Watt Leistung an 4 Ohm zur Verfügung, die insgesamt fünf Lautsprecher versorgen soll, so wie in ABB. 10 dargestellt. Soll diese Leistung nun auf mehrere Lautsprecher aufgeteilt werden, bleibt nur die Möglichkeit, diese parallel am Ausgang der Endstufe anzuschließen. Vier Lautsprecher mit je 16 Ω Nennimpedanz könnten so z. B. zu gleichen Teilen mit je 25 Watt versorgt werden. Für den Fall, dass die vier Lautsprecher keine 16-Ω -Typen, sondern 8- oder 4-Ω-Systeme wären, würde schon ein ernsthaftes Problem entstehen. Der Verstärker wäre mit einer Last von 2 oder 1 Ω belastet – oder besser gesagt überlastet – und würde vermutlich den Dienst quittieren. Eine weitere Schwierigkeit könnte dadurch entstehen, dass manche Lautsprecher, z. B. für die Bühne links und rechts, viel mehr Leistung benötigen als andere, die nur die Garderobe oder das Foyer versorgen sollen. Eine Lösung wäre in getrennten Verstärkern für jeden Lautsprecher zu finden, so dass auch jeder Weg für sich im Pegel eingestellt werden könnte. Die Kosten für eine solche Lösung sind allerdings erheblich höher, auch dann, wenn die einzelnen Verstärker in ihrer Leistung kleiner dimensioniert werden könnten.

LD-Systems MAUI i1 100-Volt-System
ABB. 10: 100-Volt-System mit Verstärker und Lautsprechern unterschiedlicher Leistung (Bild: Anselm Goertz)

Der Gedanke des 100V-Systems ist es nun, dass mithilfe von Übertragern oder Transformatoren alle Quellen, hier die Verstärker, und alle Empfänger, hier die Lautsprecher, so angepasst werden, dass sie bei einer Spannung von genau 100 Volt ihre Nennleistung abgeben bzw. aufnehmen. Für unser Beispiel heißt das, der Verstärker liefert seine maximale Ausgangsleistung, wenn am Ausgang des Übertragers 100 Volt anliegen. Ohne Übertrager würde der Verstärker mit 100 Watt an 4 Ω seine maximale Leistung bei einer Ausgangsspannung von 20 Volt liefern. Der Übertrager sollte demnach ein Übersetzungsverhältnis von 1:5 haben. Auf der Empfängerseite bei den Lautsprechern erfolgt die Anpassung in umgekehrter Richtung. Ein 30-Watt-Lautsprecher mit einer nominellen Impedanz von 8 Ω wird bei einer Spannung von 15,49 Volt mit seiner Nennleistung angesteuert. Hier wäre demnach ein Übertrager mit dem Übersetzungsverhältnis 6,45:1 erforderlich. Aus ABB. 10 geht anschaulich hervor, wie unterschiedliche Lautsprecher mithilfe von Übertragern passenden Übersetzungsverhältnisses so zueinander angepasst werden, dass jeder Lautsprecher seine Nennleistung bei 100 Volt Spannung am Übertragereingang erhält. Dabei ist es völlig egal, ob der Lautsprecher nun 10 oder 30 Watt Nennleistung hat. Auf der Lautsprecherseite verfügen die Übertrager in der Regel über mehrere Anzapfungen, so dass man auswählen kann, ob der Lautsprecher mit 100 %, 50 % oder 25% Nennleistung betrieben wird. Auch die Auslastung des Verstärkers ist bei 100-Volt-Systemen sehr einfach zu berechnen, indem die Leistungen aller Verbraucher aufaddiert werden.

Da bei Festinstallationen häufig große Kabellängen zwischen Endverstärkern und Lautsprechern erforderlich sind, bietet die 100VTechnik noch einen weiteren, ganz entscheidenden Vorzug. Durch die hochtransformierte Spannung wirken sich Verluste durch den Leitungswiderstand im Vergleich zu einem direkten Anschluss des Lautsprechers an der Endstufe deutlich geringer aus.

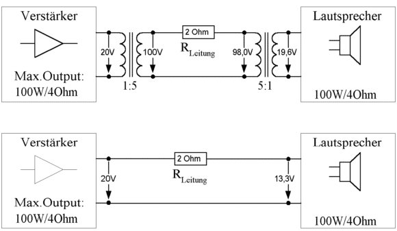
Auch hierzu ein kleines Beispiel. In ABB. 11 ist die Kombination eines Verstärkers mit einem Lautsprecher mit je 100 Watt Leistung einmal mit und einmal ohne Übertrager gezeigt. Im Idealfall, d. h. ohne jegliche Kabelverluste, würde der Verstärker bei maximaler Ausgangsspannung von 20 Volt exakt 100 Watt an den Lautsprecher mit 4 Ω Impedanz abgegeben. In der Realität sind jedoch Übergangswiderstände und Kabelwiderstände zwischen Verstärker und Lautsprecher unvermeidlich. In der Vergleichsrechnung mit und ohne Übertrager hat in beiden Fällen das Verbindungskabel einen Widerstand von 2 Ω. Ein solcher Wert entsteht z. B. bei einem 0,75-mm²-FalscherKabel bei ca. 90 m Länge.

LD-Systems MAUI i1 Leitungsverluste
ABB. 11: Leitungsverluste mit und ohne Übertrager (Bild: Anselm Goertz)

Ohne Übertrager liegen am Lautsprecher bei maximaler Ausgangsspannung des Verstärkers von 20 Volt durch den Spannungsteiler aus 4-Ω-Lautsprecher und 2-Ω-Kabelwiderstand noch 13,33 Volt an. D. h., von 100 Watt möglicher Leistung kommen jetzt noch 44,4 Watt an. Stellt man die gleiche Rechnung für das System mit 100-Volt-Übertragern an, so erreichen den Lautsprecher 96 Watt.

Das Verhältnis 1:5 bzw. 5:1 in Klammern entspricht jeweils dem Übersetzungsverhältnis der Übertrager am Verstärker bzw. Lautsprecher. Ganz deutlich ist hier ein weiterer Vorzug der 100-Volt-Technik zu erkennen, wo die Leitungsverluste drastisch reduziert werden und die Verstärkerleistung nahezu ungemindert auch den Lautsprecher erreicht. Das Prinzip entspricht dem von Überland-Hochspannungsleitungen, die den Strom auch nur mit entsprechend hoch transformierter Spannung über so große Entfernungen mit vertretbaren Verlusten transportieren können.

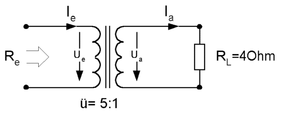
LD-Systems MAUI i1
ABB. 12: Übertrager mit einem Übersetzungsverhältnis von 5:1. Die Spannung reduziert sich von der Primär- zur Sekundärseite um den Faktor 5, der Strom erhöht sich um den Faktor 5. Die Leistung bleibt im Idealfall des verlustfreien Übertragers gleich. Der sekundäre Lastwiderstand RL = 4 Ω wird mit üJ=25 auf die Primärseite zu Re = 100 Ω transformiert. (Bild: Anselm Goertz)

Wie ein Übertrager (Trafo) Strom, Spannung, Leistung und Impedanzen umsetzt, veranschaulicht das folgende Bild (ABB. 12) für einen 4-Ω-Lautsprecher mit Übertrager.

>> zurück zur Übersicht


Fazit

Mit der MAUI i1 bietet man bei LD-Systems einen Zeilenlautsprecher für die Festinstallation an, der alle dort üblichen peripheren Anforderungen für die Montage, 100/70V-Übertrager oder auch die IP65-Schutzklasse erfüllt. Optisch gibt sich die i1 dezent, solide und hochwertig. Mit neun Breitbandsystemen und zwei Hochtönern wird ein für die meisten Einsatzzwecke günstiges Abstrahlverhalten erreicht, das sich zudem für akustisch schwierige Umfelder in halligen Räumen empfiehlt. Der Frequenzgang und der erreichbare Maximalpegel sind weitere Highlights der i1. Als angenehme Überraschung kommt zu guter Letzt noch der Preis von 535 € netto UVP hinzu. Die i1 ist in Schwarz oder Weiß erhältlich und kann mit optionalem Zubehör auch geneigt montiert werden. LD-Systems bietet zur i1 mit dem CURV 500 I Amp eine vierkanalige DSP-Endstufe mit 4 × 240 W an 4 Ω an, die bei Bedarf auch noch einen oder zwei kleine Subwoofer versorgen könnte. Um die i1 im niederohmigen Modus voll ausnutzen zu können, empfehlen sich jedoch Endstufen mit höherer Leistung.

>> zurück zur Übersicht


// [13547]

Anzeige

Schreiben Sie einen Kommentar

Ihre E-Mail-Adresse wird nicht veröffentlicht. Erforderliche Felder sind mit * markiert.