Audiotechnik

Test: Apart REVAMP 4240T

Der heutige Prüfkandidat ist eine vierkanalige 100V-Digital-Leistungsendstufe mit Übertragern im Ausgang für Anwendungen mit vier Mono- oder zwei Stereo-Zonen, die auch im Mischbetrieb mit 100V und niederohmigen Lautsprechern verwendet werden kann.

Apart REVAMP 4240T(Bild: Dieter Stork)

Inhalt dieses Tests:

Anzeige


Die im Installationssektor bekannte belgische Marke Apart Audio mit Sitz in der Nähe von Antwerpen wurde vor mehr als 25 Jahren von Tom Gheysens aus einer Rental Company heraus gegründet und gehört heute mit zu den weltweit führenden Marken für Produkte zur Festinstallation. Apart Audio NV ist Teil der Audioprof Group International als Muttergesellschaft, wo seit einiger Zeit auch der bekannte amerikanische Lautsprecherhersteller Community ein neues Zuhause gefunden hat. Unlängst gab man nun bekannt, dass die Audioprof Group International komplett von Biamp (USA) übernommen wurde und sowohl Apart Audio wie auch Community Loudspeakers zukünftig als Produktfamilien im Biamp-Portfolio geführt werden sollen. Welche Auswirkungen und Folgen das für die eine oder andere Marke haben wird, lässt sich heute sicherlich noch nicht absehen.

Unabhängig von den geschäftlichen Ereignissen soll sich dieser Beitrag nun im Weiteren mit technischen Dingen und hier speziell mit der vierkanaligen Apart Endstufe REVAMP 4240T beschäftigen. Die REVAMP-Serie von Apart besteht aktuell aus elf Geräten, von denen fünf Modelle (mit dem „T“ in der Typenbezeichnung) für den direkten Betrieb in 100V-Systemen geeignet sind. Alle 100V-Verstärker der REVAMP-Serie arbeiten mit Ausgangsübertragern, die als moderne Ringkerntransformer ausgeführt sind. Bei den Endstufen ohne Übertrager für den Low-Z-Betrieb sind zwei besonders interessante Modelle hervorzuheben. Zum einen das kräftigste Modell, der achtkanalige REVAMP 8250 mit 8× 250W, und der sechzehnkanalige REVAMP 1680. Beide Verstärker eigenen sich gut für Installationen, wo viele voneinander unabhängige Wege benötigt werden.

Beim REVAMP 4240 haben wir es mit einem vierkanaligen Verstärker mit 4× 240 W zu tun, von dem bei Bedarf auch je zwei Kanäle im Brückenmodus mit dann maximal 480 W betrieben werden können. Äußerlich gibt sich das Gerät sachlich schlicht mit je einem Mute-Taster und LEDs für Signal Present, Limit und Clip pro Kanal auf der Front.

Apart REVAMP 4240T
Bild 01: Frontseite des REVAMP 4240 mit Mute Tastern und einigen Leds pro Kanal. (Bild: Dieter Stork)

Auf der Rückseite wird es wie so oft interessanter. Auf der linken Seite befinden sich die Eingänge mit symmetrischen Anschlüssen auf Phoenix-Klemmen und zusätzlichen Eingängen auf Cinch-Buchsen mit Link-Buchsen. Jeder Eingang verfügt über eine Input-Clip-LED und ein Poti zur Einstellung der Verstärker sowie einen Schalter zur Aktivierung eines 250-Hz-Hochpassfilters.

Apart REVAMP 4240T
Bild 02: Rückseite des REVAMP 4240 mit den Eingängen auf der linken Seite und den mittig angeordneten Lautspre-cherklemmen für den Anschluss im Low-Z Modus und für 35, 50, 70 und 100 V-Systeme. (Bild: Dieter Stork)

Die Ausgänge, ebenfalls mit in der Installation üblichen Phoenix-Klemmen, gibt es für den niederohmigen (Low-Z-)Modus und für den Anschluss in 35-, 50-, 70- oder 100V-Systemen. 100V ist das hierzulande übliche System, 70V trifft man in den USA meist an. Die Abgriffe für 50V oder 35V werden dann benötigt, wenn die Lautsprecher mit einer geringeren als ihrer Nennleistung betrieben werden sollen. Möchte man z. B. vier 100V/100W-Lautsprecher an einem 100W-Verstärker betreiben, dann kann man diese an den 50V-Abgriffen anschließen, so dass jeder Lautsprecher noch maximal 25 W erhält und der Verstärker in der Summe nicht überlastet wird.

Mit der Option des Brückenbetriebes von je zwei Kanälen bietet der REVAMP 4240 noch eine weitere nützliche Eigenschaft. Gebrückt stehen dann niederohmig an 8 Ω oder im 70- bzw. 100V-Modus 480 W zur Verfügung. Die vier Ausgänge des Verstärkers sind mit Ringkernübertragern ausgestattet, womit sich auch das relativ hohe Gewicht erklärt und die Möglichkeit besteht, die volle Verstärkerleistung bei 35V, 50V, 70V oder 100V maximaler Ausgangsspannung zur Verfügung zu stellen. Etwas ungewöhnlich wird auch der niederohmige 4-Ω-Anschluss über den Übertrager bereitgestellt. Im Falle des Brückenbetriebes wird wie üblich eine der beiden Endstufen mit einem invertierten Signal angesteuert.

Zusätzlich verbindet ein internes Relais die beiden COM-Anschlüsse der zugehörigen Ausgangsübertrager miteinander. Der Lautsprecher wird dann zwischen den jeweiligen Ausgängen der beiden Kanäle angeklemmt. Konkret bedeutet das für den 8-Ω-Brückenbetrieb zwischen den beiden 4-Ω-Anschlüssen, für den 100V-Modus zwischen den beiden 50V-Anschlüssen und entsprechend für den 70V-Modus zwischen den beiden 35V-Klemmen.

Das ließe sich dann noch fortsetzen für 140V- und 200V-Systeme, die jedoch nur selten anzutreffen sind. Generell gilt als einfache Merkregel, dass sich die minimale Impedanz im Low-Z-Modus bzw. die maximale Ausgangsspannung durch Addition der beiden Werte der beteiligten Kanäle bestimmen lässt. Die dort entnommene Gesamtleistung kann in allen Fällen maximal 480 W betragen.

>> zurück zur Übersicht

Hypex UcD

Blickt man ins Innere des REVAMP 4240T, dann dominieren hier die vier kräftigen Übertrager das Bild. Die eigentliche Elektronik besteht aus der Eingangsplatine an der Rückseite, zwei Hypex SMPS400A400 Netzteilen und vier Endstufenmodulen vom Typ UcD250LP OEM, vom ebenfalls niederländischen Class-D-Spezialisten Hypex. Mit einer Versorgungsspannung von 62V aus den Netzteilen liefern die Endstufen ihre maximale Ausgangsleistung von 250 W an 4 Ω. Schaut man sich die Endstufenmodule an, dann mag man zunächst kaum glauben, dass die nur 55 g wiegenden Winzlinge echte 250-W-Endstufen sein sollen, was jedoch dank der UcD-Technik von Hypex mit sehr gutem Wirkungsgrad möglich wird. Hypex baut die UcD(Universal Class-D)-Verstärker mit einer Lizenz von Philips in dieser Form seit 2003.

Apart REVAMP 4240T innen
Bild 03: Eher unauffällig sind die vier Hypex UcD250LP Endstufenmodule im REVAMP4240T. (Bild: Anselm Goertz)

Die UcD-Verstärker finden sich heute in vielen aktiven Lautsprechersystem und Verstärkern von der ELA-Technik bis hin zu High-End Hi-Fi-Produkten. Das Erstgenannte darf als Beweis für die hohe Betriebssicherheit gelten, das Zweite für die Audioqualität. Dank der geringen Verlustleistung genügt auch bereits das Verstärkergehäuse zur Wärmeabfuhr; zusätzliche Kühlprofile werden nicht benötigt. Um für etwas Luftbewegung im Innern des Gehäuses zu sorgen, gibt es in der Rückwand einen Lüfter, der sich bedarfsgesteuert etwas zu nervös ein- und ausschaltet.

Apart REVAMP 4240T innen
Bild 04: Je zwei Endstufen werden von einem Hypex SMPS400A400 Netzteil versorgt. (Bild: Anselm Goertz)

>> zurück zur Übersicht

Frequenzgang, Dämpfungsfaktor und Störabstand

Die Frequenzgänge des REVAMP 4240T in den verschiedenen Betriebsarten zeigt ABB. 01. Die beiden roten Kurven wurden am 4-Ω-Anschluss ohne bzw. mit zusätzlichem Hochpassfilter (gestrichelt) gemessen. Das pro Kanal individuell schaltbare Hochpassfilter hat eine Eckfrequenz von ca. 250 Hz und kann z. B. dann eingesetzt werden, wenn kleine Lautsprecher oder Kompressionstreiber angesteuert werden sollen, die keine tieferen Frequenzen wiedergeben können. Durch das Filter werden die Lautsprecher dann entlastet. Auch ohne aktives Hochpassfilter gibt es schon einen gewissen Pegelabfall (–6 dB bei 43 Hz) zu tieferen Frequenz hin, der vermutlich durch den Übertrager im Ausgang verursacht wird. Dieser spielt in der Praxis jedoch keine relevante Rolle, da man mit Verstärkern dieser Art keine Subwoofer betreiben wird. Für alle anderen Lautsprecher ist der leichte Abfall bei tiefen Frequenzen sogar eher von Vorteil. Im Brückenbetrieb „verdoppelt“ sich das Hochpassverhalten, wie man an der orange-farbigen Kurve für den BTL(bridge-tied load)-Modus gut erkennen kann. Zusätzlich erhöht sich auch die Verstärkung um 6 dB, die hier zum besseren Vergleich der Kurven wieder abgezogen wurden. Da der Ausgangsübertrager abhängig vom genutzten Abgriff unterschiedliche Übertragungsfaktoren aufweist, hängt die effektive Verstärkung des REVAMP 4204T auch davon ab, welcher Anschluss genutzt wird. Die Werte liegen zwischen 30 dB (4 Ω) bis 40 dB (100V).

Frequenzgang an einer 4 Ω Last
ABB. 01: Frequenzgang an einer 4 Ω Last ohne und mit aktivem 250 Hz Hochpassfilter (rt). Brückenmodus an 8 Ω (or) und mit den Abgriffen für 35(gr), 50(hbl), 70(dbl) und 100(br) Volt.

Der Dämpfungsfaktor ist ein im Zusammenhang mit Leistungsverstärkern häufig genannter Begriff. Was steckt nun dahinter? Formal ist der Dämpfungsfaktor als Verhältnis einer angeschlossenen Lastimpedanz in Relation zum Innenwiderstand einer Quelle definiert. Beträgt die Lastimpedanz z. B. 4 Ω, und der Innenwiderstand der Quelle, hier der Endstufe, beträgt 15 m Ω, dann hat der Dämpfungsfaktor einen Wert von 267. Ein geringer Innenwiderstand der Quelle, idealerweise 0 Ω, ist für Lautsprecher insofern wichtig, weil dadurch zum einen das Nachschwingen der Membranen gebremst wird und, falls der Lautsprecher eine passive Frequenzweiche besitzt, das Übersprechen zwischen den Zweigen verhindert wird.

Der vorab im Beispiel genannte Wert des Innenwiderstandes einer Endstufe von 15 m Ω ist die Angabe aus dem Datenblatt des UcD-Moduls. Misst man nun den Dämpfungsfaktor am Ausgang des REVAMP 4240T, dann kommt man nur noch auf einen Wert von ca. 10 (ABB. 02). Der Grund dafür liegt primär im Übertrager, der prinzipbedingt einen höheren Innenwiderstand aufweist. Hinzu kommen Übergangswiderstände von Steckverbindern, Kabeln, den Phoenix-Klemmen usw. Befindet sich auf der Gegenseite im Lautsprecher noch ein weiterer Übertrager, dann verringert sich der Dämpfungsfaktor nochmals. Das klingt so zunächst etwas dramatisch, ist jedoch in der Praxis für typische 100V-ELA-Lautsprecher eher unkritisch. Die dem gegenüberstehenden Vorteile mit geringen Verlusten auch bei großen Leitungslängen und der einfachen Kombination auch sehr unterschiedlicher Lautsprecher an einem Strang überwiegen deutlich. Näheres hierzu im Themenkasten „100V-Systeme und Übertrager“.

Dämpfungsfaktor bezogen auf eine 4Ω Last
ABB. 02: Dämpfungsfaktor bezogen auf eine 4Ω Last. Exemplarisch für Kanal 1 und 2. Bedingt durch den Ausgangsübertrager fällt der Dämpfungsfaktor niedrig aus.

Je nach Einsatzbereich eines Verstärkers und der dort angeschlossenen Lautsprecher, kann der Störabstand eine relevante Rolle spielen. Zwei Beispiele dazu können das verdeutlichen. Erfolgt der Einsatz im Rahmen einer SAA z. B. in einer Sporthalle, dann wird es bei dem zu erwartenden Geräuschpegel in der Halle und der Entfernung der Zuhörer von den Lautsprechern überhaupt keine Rolle spielen, ob der Lautsprecher eventuell ein leichtes Rauschen oder Brummen von sich gibt. Geht es jedoch um eine SAA in einem Theater oder Konzerthaus, wo die Lautsprecher unter Umständen nur wenige Meter entfernt vom Publikum an der Wand oder in der Decke eingebaut sind, dann kann auch ein kleines Geräusch aus den Lautsprechern schon als störend empfunden werden. Wie kann man nun den tatsächlichen Störpegel berechnen? Für den REVAMP 4240T ergab die Messung einen Störpegel am Ausgang von 72 dBu mit A-Bewertung. Das entspricht einer Spannung von 0,195 mV. Schließt man hier jetzt einen typischen Decken- oder Wandlautsprecher mit einer Sensitivity von 90 dB bei 2,83V/1m an, dann erzeugt dieser einen Störschall mit einem Pegel von knapp 7 dB. Ein solcher Wert wäre auch in einer sensiblen Umgebung völlig unproblematisch. Setzt man die maximale Ausgangsspannung des Verstärkers von 33 dBu in Relation zum Störpegel, dann berechnet sich daraus ein S/N (Signal to Noise) von guten 105 dBA.

Störspektrum am Ausgang mit einem Gesamtpegel von -67,5 dBu
ABB. 03: Störspektrum am Ausgang mit einem Gesamtpegel von -67,5 dBu bzw. -72 dBu(A). Die maximale Ausgangsspannung in diesem Modus beträgt 33 dBu.

>> zurück zur Übersicht

Verzerrungsmessungen

Die nachfolgenden Verzerrungsmessungen mit den ABB. 04 BIS 07 entstanden alle mit dem REVAMP 4240T im Brückenmodus mit einer 8-Ω-Last. Das entspricht der Belastung einer einzelnen Endstufe mit einer 4-Ω-Last. Die erste Grafik aus ABB. 04 zeigt die Verzerrungen in Abhängigkeit von der Ausgangsleistung gemessen bei 1 kHz. Das Minimum der Kurve liegt bei –80 dB (0,01 %). Bis zu Clipgrenze steigen die Werte dann bis auf –60 dB (0,1 %) an. Bedenkt man, dass hier auch der Übertrager im Signalweg liegt, dann sind das sehr gute Ergebnisse.

Klirrfaktor (THD) bei 1 kHz mit 8 Ω Last im Brückenmodus in Abhängigkeit von der Ausgangsleistung
ABB. 04: Klirrfaktor (THD) bei 1 kHz mit 8 Ω Last im Brückenmodus in Abhängigkeit von der Ausgangsleistung (x-Achse).

Neben dem absoluten Wert für die Verzerrungen interessiert auch deren spektrale Zusammensetzung. Dazu zeigt ABB. 05 das FFT Spektrum für ein 1-kHz-Sinussignal bei 240 W Ausgangsleistung an 8 Ω im Brückenbetrieb und somit 3 dB unter Vollaussteuerung. Dominiert werden die Verzerrungen vom k2 und k3. Die klanglich problematischen Klirranteile höherer Ordnung fallen zügig ab und liegen alle deutlich unterhalb der 80-dB-Linie.

Ausgangssignal als Spektrum bei 1 kHz mit 8 Ω Last im Brückenmodus und 240 W pro Kanal
ABB. 05: Ausgangssignal als Spektrum bei 1 kHz mit 8 Ω Last im Brückenmodus und 240 W pro Kanal.

Die in ABB. 06 gezeigte Kurve stellt den Verlauf der THD-Werte in Abhängigkeit von der Frequenz dar. Gemessen wurde bei einem Viertel der maximalen Ausgangsleistung mit 120 W an 8 Ω. Die Kurve erreicht ihr Minimum bei ca. 200 Hz und steigt zu beiden Seiten hin an. Zu den hohen Frequenzen hin entsteht der Anstieg durch die Elektronik, wo zu hohen Frequenzen hin die Gegenkopplung nachlässt und dadurch die Verzerrungen ansteigen. Dieses Verhalten kennt man von den meisten Verstärkern. Zu den tiefen Frequenzen hin entstehen die Verzerrungen durch den Übertrager, da bei tiefen Frequenzen Sättigungseffekte früher auftreten und somit Verzerrungen verursachen. Für die Grafik von ABB. 06 ist zu bedenken, dass die Messung für den Verstärker mit konstanter Eingangsspannung entsprechend einer Leistung von 120 W an 8 Ω bei 1 kHz gemacht wurde. Bei 50 Hz ist aber die Ausgangsspannung im Brückenbetrieb schon um 10 dB abgefallen, wie die Frequenzgänge aus ABB. 01 zeigen. Die Leistung beträgt somit nicht mehr 120 W, sondern nur noch 12 W. Bei höheren Leistungen wären die Verzerrungswerte bei tiefen Frequenzen höher.

Klirrfaktor (THD) mit 8 Ω Last im Brückenmodus in Abhängigkeit von der Frequenz bei jeweils 120 W*1 pro Kanal (x-Achse). *1 bei 1 kHz
ABB. 06: Klirrfaktor (THD) mit 8 Ω Last im Brückenmodus in Abhängigkeit von der Frequenz bei jeweils 120 W*1 pro Kanal (x-Achse). *1 bei 1 kHz

Als letzte Verzerrungsmessung sind noch die transienten Intermodulationsverzerrungen (TIM oder engl. DIM) zu betrachten, bei denen ein 15-kHz-Sinus mit einem steilflankigen 3,15-kHz-Rechteck überlagert wird. Ausgewertet werden die dabei entstehenden Intermodulationsprodukte. Diese Messung fördert vor allem Schwächen bei schnellen transienten Signalen zutage. Die steilen Flanken des Rechteckanteils fordern die Endstufe deutlich mehr als ein eingeschwungener Sinus bei der THD-Messung. Der DIM-Messung wird daher auch eine relativ große Bedeutung im Zusammenhang mit den klanglichen Qualitäten einer Endstufe zugeschrieben. ABB. 07 zeigt dazu die DIM-Werte in Abhängigkeit von der Ausgangsspannung. Das Minimum liegt bei guten –67 dB bei einer Ausgangsspannung von 1–2 V. Darüber hinaus bis zur Clipgrenze steigen die Werte dann kontinuierlich bis auf –47 dB (0,45 %) an, was auch wieder primär auf den Übertrager zurückzuführen sein dürfte.

IMD Messung (DIM) mit 8 Ω Last im Brückenmodus in Abhängigkeit von der Ausgangsspannung
ABB. 07: IMD Messung (DIM) mit 8 Ω Last im Brückenmodus in Abhängigkeit von der Ausgangsspannung (x-Achse).

>> zurück zur Übersicht

Leistungswerte

Bei den Leistungsmessungen wurde aufgrund der besonderen Konstellation mit Übertragern im Ausgang und dem optionalen Brückenbetrieb etwas vom üblichen Messverlauf abgewichen. Gemessen wurden die Leistungswerte im normalen Modus mit 4× 4-Ω-Last und mit 4× 8-Ω-Last sowie im Brückenmodus mit 2× 8-Ω-Last. Die Werte sind auch auf die 35-, 50-, 70- und 100V-Abgriffe übertragbar.

ABB. 08: Leistungswerte an 4 Ω bei gleichzeitiger Belastung aller vier Kanäle
ABB. 09: Leistungswerte an 8 Ω bei gleichzeitiger Belastung aller vier Kanäle
ABB. 10: Leistungswerte an 8 Ω im Brückenbetrieb bei gleichzeitiger Belastung aller Kanäle

Dabei wurden folgende Werte bestimmt:

  • die Impulsleistung für eine 1 ms dauernde einzelne Periode eines 1-kHz-Sinussignals
  • die Sinusleistung bei einem konstant anliegenden 1-kHz-Sinussignal nach einer Sekunde, nach zehn Sekunden und nach einer Minute
  • die Leistung bei einem konstant anliegenden Rauschen mit 12 dB Crestfaktor nach zehn Sekunden, nach einer Minute und nach sechs Minuten
  • die Leistung bei einem konstant anliegenden Rauschen mit 6 dB Crestfaktor nach zehn Sekunden, nach einer Minute und nach sechs Minuten
  • die Leistung nach EIAJ, gemessen mit einem gepulsten 1-kHz-Sinussignal von 8 ms Dauer alle 40 ms. Das Signal hat einen Crestfaktor von 10 dB.
  • die Leistung nach CEA 2006 mit einem 1-kHz-Sinussignal, dessen Pegel alle 500 ms für 20 ms einen Pegelsprung von +20 dB erfährt. Das Signal hat einen Crestfaktor von 16 dB.
  • die Leistung für einen sich periodisch wiederholenden 1-kHz-Burst mit einer Länge von 33 ms, gefolgt von einer 66-ms-Ruhephase. Der Crestfaktor dieses Signals beträgt 7,8 dB.
  • die Leistung für einen sich periodisch wiederholenden 40-Hz-Burst einer Länge von 825 ms gefolgt von einer 1.650-ms-Ruhephase. Der Crestfaktor dieses Signals beträgt ebenfalls 7,8 dB.

Bei der 4× 4-Ω-Last (ABB. 08) wurde exakt die im Datenblatt angegebene Leistung von 4× 240 W mit einem Sinussignal erreicht. Gleiches gilt für die 4× 8-Ω-Belastung (ABB. 09). Bei der 4× 4-Ω-Last schaltete die Endstufe jedoch schon nach 30 s wegen Überlast ab. Die Wiedereinschaltung erfolgte automatisch. Für ein Signal mit 12 dB Crestfaktor wurde an 4× 4 Ω eine Leistung, berechnet aus dem gemessenen Spitzenwert durch 1,414, von 332 W bestimmt und für ein Signal mit 6 dB Crestfaktor von 365W. Das erscheint zunächst einmal widersprüchlich, aber kann durchaus durch die Veränderung der Signalform vorkommen, wenn einzelne Spitzenwerte besonders hervortreten. Bei der 4× 8-Ω-Messung ist das Verhalten bei entsprechend geringeren Leistungen ähnlich. Die Schwächen der REVAMP 4240T bei der 40-Hz-Burstmessung sind im dort schon stark abgefallenen Frequenzgang (–12 dB) begründet.

>> zurück zur Übersicht


100V-Systeme und Übertrager. Welche Vor- und Nachteile gibt es?

Die bei vielen der im Test befindlichen Lautsprecher anzutreffende 100V-Technik ist als Standard in der Festinstallation von Audioanlagen zu betrachten. Kern dieses Verfahrens sind Übertrager in den Endverstärkern und in allen Lautsprechern, die eine Leistungsanpassung vornehmen. Häufig wird über die 100V-Technik zu Unrecht die Nase gerümpft. Als Argumente werden die Nachteile der Übertrager im Signalweg mit erhöhten Verzerrungen, Sättigungseffekten und mangelndem Dämpfungsfaktor angeführt. Mehr oder weniger trifft das alles auch zu. Dass demgegenüber auch attraktive Vorzüge stehen, wird manchmal vorschnell vergessen. An dieser Stelle soll daher ein kurzer Blick auf die 100V-Technik und die zugehörigen Berechnungsmethoden geworfen werden.

Diese Zusammenhänge können an einem einfachen Beispiel erläutert werden. Für die Beschallung einer kleinen Bühne mit Empore und Garderobe steht eine Endstufe mit 100 Watt Leistung an 4 Ohm zur Verfügung, die insgesamt 5 Lautsprecher versorgen soll, so wie in ABB. 13 dargestellt. Soll diese Leistung nun auf mehrere Lautsprecher aufgeteilt werden, so bleibt nur die Möglichkeit, diese parallel am Ausgang der Endstufe anzuschließen. Vier Lautsprecher mit je 16 Ohm Nennimpedanz könnten so z. B. zu gleichen Teilen mit je 25 Watt versorgt werden. Für den Fall, dass die vier Lautsprecher keine 16-Ohm-Typen sondern 8- oder 4-Ohm-Systeme wären, würde schon ein ernsthaftes Problem entstehen Der Verstärker wäre mit einer Last von 2 oder 1 Ohm belastet oder, besser gesagt, überlastet und würde vermutlich den Dienst quittieren. Eine weitere Schwierigkeit könnte dadurch entstehen, dass manche Lautsprecher, z. B. für die Bühne links und rechts, viel mehr Leistung benötigen als andere, die nur die Garderobe oder das Foyer versorgen sollen. Eine Lösung wäre mit getrennten Verstärkern für jeden Lautsprecher zu finden, so dass auch jeder Weg für sich im Pegel eingestellt werden könnte. Die Kosten für eine solche Lösung sind allerdings erheblich höher, auch dann, wenn die einzelnen Verstärker in ihrer Leistung kleiner dimensioniert werden könnten.

Apart REVAMP 4240T innen
Bild 05: Vier kräftige 240W Ringkern-Ausgangsübertrager im Apart REVAMP 4240T Verstärker. (Bild: Anselm Goertz)

Der Gedanke des 100-Volt-Systems ist es nun, dass mithilfe von Übertragern oder Transformatoren alle Quellen, hier die Verstärker, und alle Empfänger, hier die Lautsprecher, so angepasst werden, dass sie bei einer Spannung von genau 100 Volt ihre Nennleistung abgeben bzw. aufnehmen. Für unser Beispiel heißt das, der Verstärker liefert seine maximale Ausgangsleistung, wenn am Ausgang des Übertragers 100 Volt anliegen. Ohne Übertrager würde der Verstärker mit 100 Watt an 4 Ohm seine maximale Leistung bei einer Ausgangsspannung von 20 Volt liefern. Der Übertrager sollte demnach ein Übersetzungsverhältnis von 1:5 haben.

Auf der Empfängerseite bei den Lautsprechern erfolgt die Anpassung in umgekehrter Richtung. Ein 30-Watt-Lautsprecher mit einer nominellen Impedanz von 8 Ohm wird bei einer Spannung von 15,49 Volt mit seiner Nennleistung angesteuert. Hier wäre demnach ein Übertrager mit dem Übersetzungsverhältnis 6,45:1 erforderlich. Aus ABB. 13 geht anschaulich hervor, wie unterschiedliche Lautsprecher mithilfe von Übertragern mit passendem Übersetzungsverhältnis so zueinander angepasst werden, dass jeder Lautsprecher seine Nennleistung bei 100 Volt Spannung am Übertragereingang erhält. Dabei ist es völlig egal, ob der Lautsprecher nun 10 oder 30 Watt Nennleistung hat. Auf der Lautsprecherseite verfügen die Übertrager in der Regel über mehrere Anzapfungen, so dass man auswählen kann, ob der Lautsprecher mit 100 %, 50 % oder 25 % Nennleistung betrieben wird. Auch die Auslastung des Verstärkers ist bei 100-Volt-Systemen sehr einfach zu berechnen, indem die Leistungen aller Verbraucher aufaddiert werden. Die einzelnen Impedanzen sind dabei nicht von Bedeutung, da alle Lautsprecher über ihre Übertrager auf Nennleistung bei gleicher Spannung von 100 Volt angepasst sind. Der Verstärker darf im 100-Volt-Netz mit maximal so vielen Verbrauchern belastet werden, bis die Summe der Nennleistungen der Verbraucher die Nennleistung des Verstärkers erreicht. In unserem Beispiel liegt exakt Vollauslastung vor, da zwei 30-Watt-, ein 20-Watt- und zwei 10-Watt-Lautsprecher in der Summe 100 Watt ausmachen. Dieser Wert entspricht genau der Verstärkerleistung.

ABB. 13: 100 Volt System mit Verstärker und Lautsprechern unterschiedlicher Leistung
ABB. 13: 100 Volt System mit Verstärker und Lautsprechern unterschiedlicher Leistung

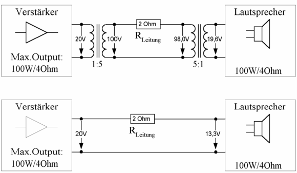
Da bei Festinstallationen häufig große Kabellänge zwischen Endverstärkern und Lautsprechern erforderlich sind, bietet die 100-Volt-Technik noch einen weiteren ganz entscheidenden Vorzug. Durch die hochtransformierte Spannung wirken sich Verluste durch den Leitungswiderstand im Vergleich zu einem direkten Anschluss des Lautsprechers an der Endstufe deutlich geringer aus. Auch hierzu ein kleines Beispiel. In ABB. 14 ist die Kombination eines Verstärkers mit einem Lautsprecher mit je 100 Watt Leistung einmal mit und einmal ohne Übertrager gezeigt. Im Idealfall, d. h. ohne jegliche Kabelverluste, würde der Verstärker bei maximaler Ausgangsspannung von 20 Volt exakt 100 Watt an den Lautsprecher mit 4 Ohm Impedanz abgegeben. In der Realität sind jedoch Übergangswiderstände und Kabelwiderstände zwischen Verstärker und Lautsprecher unvermeidlich. In der Vergleichsrechnung mit und ohne Übertrager hat in beiden Fällen das Verbindungskabel einen Widerstand von 2 Ohm. Ein solcher Wert entsteht z. B. bei einem 0,75-mm2-Kabel bei ca. 90 m Länge. Ohne Übertrager liegen am Lautsprecher bei maximaler Ausgangsspannung des Verstärkers von 20 Volt durch den Spannungsteiler aus 4-Ohm-Lautsprecher und 2-Ohm-Kabelwiderstand noch 13,33 Volt an. D. h. konkret, von 100 Watt möglicher Leistung kommen jetzt noch 44,4 Watt an.

(Klemmenspannung lautsprecher = Uls)

(vom lautsprecher elektrisch aufgenommene leistung = Pls)

Stellt man die gleiche Rechnung für das System mit 100-Volt-Übertragern an, so erreichen den Lautsprecher 96 Watt.

Das Verhältnis (5/1) bzw. (1/5) in Klammern entspricht jeweils dem Übersetzungsverhältnis der Übertrager am Verstärker bzw. Lautsprecher. Ganz deutlich ist hier der Vorzug der 100-Volt-Technik zu erkennen, wo die Leitungsverluste drastisch reduziert werden und die Verstärkerleistung nahezu ungemindert auch den Lautsprecher erreicht. Das Prinzip entspricht dem von Überland-Hochspannungsleitungen, die den Strom auch nur mit entsprechend hoch transformierter Spannung über so große Entfernungen mit vertretbaren Verlusten transportieren können.

Leitungsverluste mit (oben) und ohne (unten) Übertrager
ABB. 14: Leitungsverluste mit (oben) und ohne (unten) Übertrager

Ein weiterer Vorzug der 100-Volt-Systeme liegt in der erdfreien Signalführung, da die Signalleitungen durch den Übertrager galvanisch von der Endstufe und Gerätemasse bzw. Erde getrennt sind. Ein Kurzschluss gegen eine masseführende Leitung oder ein Gehäuse führt hier nicht zu einem Stromfluss. In jedem Fall ist bei solchen Installationen jedoch die erhöhte Gefahr eines Stromschlages zu beachten, da die Spannungen schon in für Menschen gefährliche Größenordnungen kommen. Auch unter diesem Aspekt bietet die galvanische Trennung durch den Übertrager schon einen gewissen Schutz, da hier nur dann Gefahr besteht, wenn beide Leitungen gleichzeitig berührt werden. Neben den 100-Volt-Systemen sind im amerikanischen Raum auch 70-Volt-Systeme üblich. Für spezielle Anwendung, z. B. bei extremen Kabellängen in Stadien etc., werden auch 200-Volt-Systeme eingesetzt. Viele Lautsprecher sind schon vom Hersteller mit Übertragern ausgerüstet, die für 70- und 100-Volt-Systeme konfiguriert werden können.

Insgesamt gibt es damit auch eine Menge von Vorzügen durch die 100-Volt-Technik, die vor allem dann zum Tragen kommen, wenn viele kleine Lautsprecher von einer zentralen Stelle aus über große Entfernungen versorgt werden müssen. Wie schwer sich die Nachteile der Übertrager im Signalweg auswirken, hängt stark von deren Dimensionierung und Auslegung ab. Die Auswirkungen des Übertragers auf den Frequenzgang oder die Verzerrungswerte sind in den meisten Fällen so gering, dass sie gegenüber den Einflüssen des Lautsprechers weitgehend vernachlässigt werden können. Diese Aussage dürfte zumindest für alle kleinen Lautsprecher mit Übertragern bis 50 W zutreffen. Bei Lautsprechern mit wesentlich höheren Leistungen wird der Einsatz von Übertragern allerdings zunehmend kritischer, da hier sehr große Trafos mit schweren Eisenpaketen zwingend erforderlich werden, um die hohen Leistungen ohne Verzerrungen zu übertragen. Problematisch verhalten sich Übertrager auch bei tieferen Frequenzen unterhalb von 50 Hz, die bei größeren Lautsprechern ebenfalls nicht immer vernachlässigt werden können.

>> zurück zur Übersicht


Netzlast

Die Belastung des Stromnetzes ist bei Endstufen mit hoher Leistung und/oder langer Betriebsdauer ein wichtiges Thema. Direkt oder indirekt damit in Zusammenhang stehen die Installationskosten, die Betriebskosten und letztendlich auch die Betriebssicherheit. Sind die Endstufen dauerhaft im Betrieb, dann ist die Leistungsaufnahme im Ruhemodus ohne Signal ein wichtiger Wert. Für die REVAMP 4240T beträgt diese 50 W. Einen Standby-Modus, um die Leistungsaufnahme weiter zu reduzieren, gibt es leider nicht. Für den in der Praxis wohl eher selten vorkommenden Extremfall der Vollaussteuerung mit einem Sinus liegt die Netzbelastung bei maximal 1.220 W.

Standby: –W

No signal: 50 W

Max.Power 12 dB CF: 184 W

Max.Power Sinus: 1.220 W

Der vorletzte Wert in der Tabelle mit 184 W ist die Leistungsaufnahme, wenn die Endstufe mit einem Signal mit 12 dB Crestfaktor voll ausgelastet wird. Zieht man davon 50 W Grundlast ab und setzt die dann noch verbleibenden 134 W ins Verhältnis zu einer abgegebenen Leistung von 110 W, kommt man auf einen Wirkungsgrad von sehr guten 82 %. ABB. 11 zeigt den Wirkungsgrad der Endstufe mit zwei Kurven noch etwas detaillierter. Die blaue Kurve setzt die Ausgangsleistung in Relation zur insgesamt aus dem Stromnetz aufgenommen Wirkleistung. Zusammen mit der Grundlast ergeben sich bei kleinen Ausgangsleistungen für den Wirkungsgrad eher geringe Werte. Für die rote Kurve wird die Ausgangsleistung nur zu der zusätzlich zur Grundlast aufgenommenen Leistung in Relation gesetzt. Die Endstufen selber kommen so ohne Grundlast fast durchgängig auf einen Wirkungsgrad von 80 % und mehr.

Wirkungsgrad des Amps in % in Abhängigkeit von der abgegebenen Leistung (x-Achse). In rot die Kurve ohne Grundlast die einen sehr guten Wirkungsgrad der Endstufen erkennen lässt
ABB. 11: Wirkungsgrad des Amps in % in Abhängigkeit von der abgegebenen Leistung (x-Achse). In rot die Kurve ohne Grundlast die einen sehr guten Wirkungsgrad der Endstufen erkennen lässt.

Neben den absoluten Werten sollte der aus dem Netz aufgenommene Strom in seinem Verlauf möglichst der Spannung folgen und die Endstufe sich somit vergleichbar einem reellen Widerstand als Last für das Stromnetz verhalten. Abweichungen entstehen durch Verschiebungsblindströme (kapazitiv oder induktiv) und durch Verzerrungsblindströme (Oberwellenanteil). Wie gut sich der Stromverlauf dem Spannungsverlauf annähert, wird mess technisch durch den Leistungsfaktor (PF = Powerfactor) ausgedrückt. ABB. 12 zeigt dazu die Messung des REVAMP 4240T bei Volllast. Der cos-ρ-Wert beschreibt die Phasenlage von Spannung und Strom zueinander und liegt bei 0,99. Spannung und Strom liegen somit de facto in Phase, wie bei einem rein reellen Widerstand. Etwas anders sieht es beim Oberwellenanteil aus. Der Leistungsfaktor (Power Factor) beträgt nur 0,65 und weist auf den sichtbar hohen Oberwellenanteil im Netzstrom hin. Der Netzstrom folgt nicht kontinuierlich der Spannung, sondern wird gepulst im Maximum jeder Spannungshalbwelle aus dem Netz gezogen. Eine aktive PFC (Power Factor Correction) gibt es nicht.

Verlauf von Netzspannung(rot), Netzstrom(blau) und der daraus berechneten Leistungsaufnahme(grün). Der Leistungs-faktor PF beträgt 0,65
ABB. 12: Verlauf von Netzspannung(rot), Netzstrom(blau) und der daraus berechneten Leistungsaufnahme(grün). Der Leistungs-faktor PF beträgt 0,65.

>> zurück zur Übersicht

Fazit

Mit dem REVAMP 4240T hat Apart eine echte Allround-Endstufe für Installationen im Programm. Mit vier Kanälen, die sowohl im Low-Z- wie auch im 35-, 50-, 70- oder 100V-Modus betrieben und bei Bedarf auch in Brücke geschaltet werden können, kann die Endstufe mit einer Gesamtleistung von 4× 240 W für unterschiedlichste Systeme eingesetzt werden. Komplette 100V-Anlagen sind ebenso möglich wie gemischte Installationen mit 100 und niederohmig anzuschließenden Lautsprechern. Mit den Hypex UcD-Endstufen und den zugehörigen Netzteilen kommt State of the Art Class-D-Technik zum Einsatz, die im REVAMP 4240T mit vier großen Ringkernübertragern kombiniert werden.

Die Verarbeitung des 2 HE Gerätes ist bestens, alle notwendigen Anschlüsse sind vorhanden und der Preis mit 1.729 € als UVP incl. MwSt. stimmt auch. Wer die Ausgangsübertrager nicht benötigt, greift zum REVAMP 8250, der direkt acht Kanäle á 250 W bei ansonsten gleicher Ausstattung zur Verfügung stellt und mit einer UVP von 1.488 € sogar noch etwas günstiger ist.

>> zurück zur Übersicht

Übersicht: Apart REVAMP 4240T

 

Leistung
4-kanalig gem.
Sinus
10 s
12 dB CF 60 s Peak
1 ms
W pro Ch an 4Ω 240 332 301
W pro Ch an 8Ω 128 196 193
Noise dBu dBu(A)
  -67,5 -72,0
Dynamik dB dB(A)
  100,5 105
f[Hz] (load 4Ω) 20 1 k 20 k
Gain dB 13,1 30 28,5
Phase ° 188 3 -65
HP-Filter 70 (265) Hz
TP-Filter >40 kHz
f[Hz] 100 1 k 6,3 k
CTC dB 70 71 58
CMRR dB 62 62 62
DF rel. 4Ω 10 10 7,5
THD(f) @
120 W 8 Ω BTL
-63 -68 -55
  Min. vor Clip
THD 1kHz -80 -60
DIM100 -67 -47
Leistungs-aufnahme
Standby – W
No signal 50 W
Full power 184 W @ 4x 4 Ω bei 12dB CF
Gewicht in kg 16,7
Bauhöhe HE 2
UVP incl. MwSt. 1.729 €
 
Firmware
Netzteil Schaltnetzteil Hypex SMPS 400
Schaltung Class-D Hypex UcD250LP OEM
DSP System
Remote

 >> zurück zur Übersicht


// [9781]

Anzeige

Schreiben Sie einen Kommentar

Ihre E-Mail-Adresse wird nicht veröffentlicht. Erforderliche Felder sind mit * markiert.